详细说明
上银直驱电机
上银直驱电机采用直接驱动无须减速机构。马达和荷重之间有极佳的刚性连接,搭配上银伺服驱动控制可发挥极佳加速度及运动的平稳性。 由于中空轴的形式,特别适用于自动化任务,可从中空轴跑线或穿过相关配件。使用交叉滚柱轴承,兼具高扭力和高动态特性。
①无间隙驱动②中空轴
上银直驱电机全系列,上银直驱电机DMY,上银直驱电机DMS,上银直驱电机DMN。

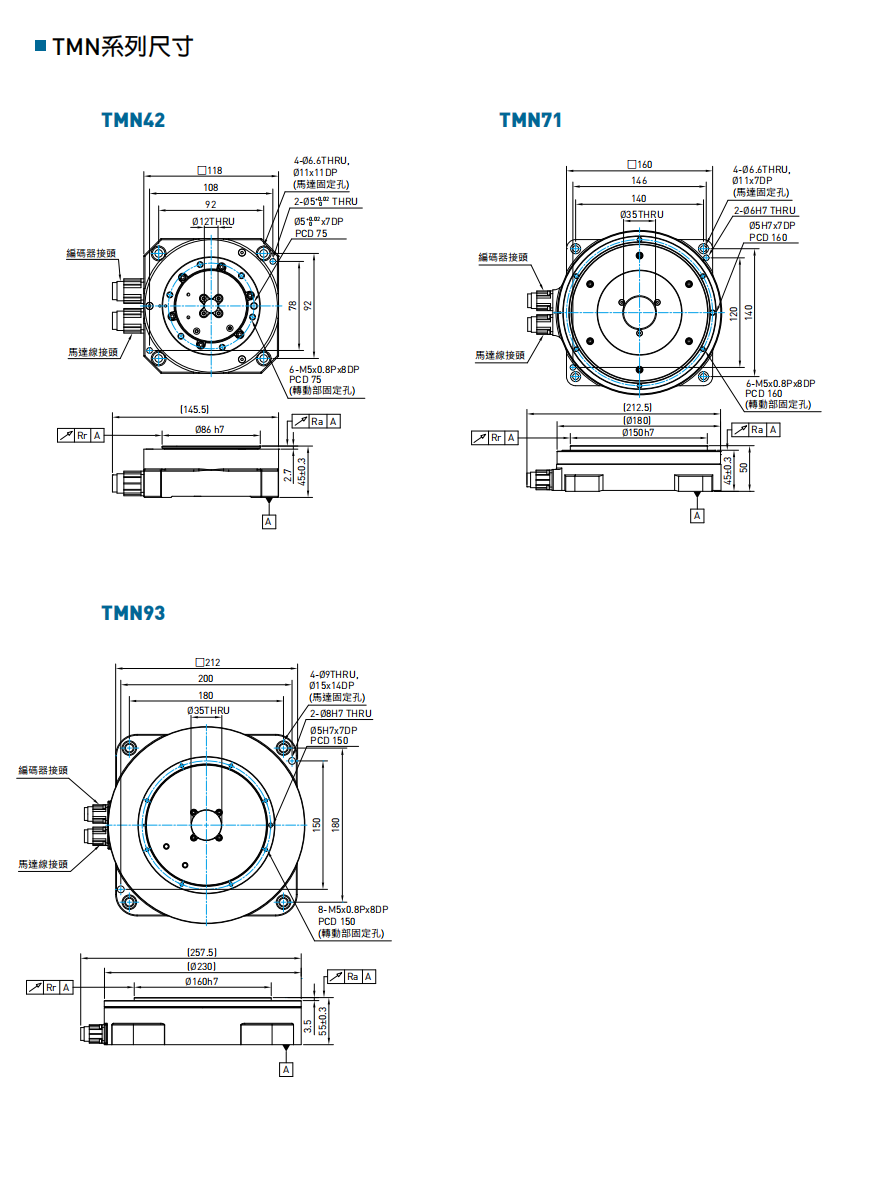
直驱电机-DMN
外型最为轻巧,使用高分辨率解角器/光学尺,精准回馈位置,具备高动态反应、高扭力输出以及高精度定位的能力,适用于推力不大但须精准定位的工业需求。
优点:
①自由动作,点对点(分度动作),扫描应用(连续动作)
②免保养,省空间,上银直驱电机与AC搭配减速机相比空间减少30%,上银直驱电机与AC搭配减速机相比工作效率增加30%,上银直驱电机与AC搭配减速机相比损耗率减低50%,上银直驱电机与AC搭配减速机相比大中空軸走线配管更彈性。
特点:位置解析技术;高效率:直驱马达技术;友善配线:中空轴设计;结构对称:热平衡设计;讯号转换:数位讯号转换处理技术
- 外转式平台
- 低安装高度,节省空间
- 适用于高精度扭力的工业需求
- 可依使用环境需求选用高解析度光学尺/解角器
- 高动态、高扭力以及高精度
- 扭力瞬间最高可达4.2~39.6 Nm,满足各种应用需求

上银直驱电机DMN系列型号:
TMN(DMN)增量式系列
TMN21(DMN21)
TMN42G(DMN42G)
TMN42GH(DMN42GH)
TMN71G(DMN71G)
TMN71GH(DMN71GH)
TMN93G(DMN93G)
TMN93GH(DMN93GH)
TMN95G(DMN95G)
TMN95GH(DMN95GH)







相关标签:TMN42GH(DMN42GH) TMN42GH(DMN42GH)线性马达 TMN42GH(DMN42GH)线性马达平台
上一篇:转矩马达TMN71G(DMN71G)
下一篇:转矩马达TMN42G(DMN42G)











